রুইচেন সিলিং প্রযুক্তির উদ্ভাবনের শীর্ষে রয়েছেন। স্বতন্ত্রভাবে বিকশিত উচ্চ-চাপের ধুলা সিলগুলি চলমান অংশগুলির ধুলা-প্রুফ চাহিদাগুলি যথাযথভাবে নোঙ্গর করে এবং পিটিএফই ধুলা রিং এবং ও-রিংগুলি দুর্দান্ত সুরক্ষা তৈরি করতে ব্যবহার করে। কাজ করার সময়, ও-রিং সিলের দীর্ঘমেয়াদী স্থিতিশীলতা নিশ্চিত করে পিটিএফই রিংটির পরিধানের জন্য ক্ষতিপূরণ দেওয়ার জন্য একটি স্থিতিশীল প্রিলোড প্রয়োগ করে; ধুলার আংটিটি ধুলা আক্রমণকে দৃ strongly ়ভাবে প্রতিরোধ করতে অ্যান্টি-ওয়্যার ফিলিং উপকরণ ব্যবহার করে। উদাহরণস্বরূপ, নির্মাণ যন্ত্রপাতিগুলির জলবাহী সিলিন্ডারগুলির জয়েন্টগুলিতে, নির্মাণ সাইটে ধুলার মুখোমুখি, উচ্চ-চাপের ধুলা সিলগুলি কার্যকরভাবে ধূলিকণার অনুপ্রবেশকে অবরুদ্ধ করে এবং সিলিন্ডারের মসৃণ ক্রিয়াকলাপ নিশ্চিত করে; স্বয়ংক্রিয় উত্পাদন লাইনের রোবোটিক বাহুর রোবোটিক আর্মের পারস্পরিকিং সুইং লিঙ্কটি, এর ধূলিকণা সীলগুলি ধূলিকণার হস্তক্ষেপ থেকে নির্ভুল অংশগুলি রক্ষা করে এবং উচ্চ-নির্ভুলতা অপারেশনগুলি বজায় রাখে; এবং খনির সরঞ্জামগুলির সর্পিল কনভাইং ডিভাইস, আকরিক ধুলার পরিবেশে, উচ্চ-চাপের ধুলা সিলগুলি সরঞ্জামগুলির স্থিতিশীল অপারেশন নিশ্চিত করে, সম্ভাব্য ত্রুটিগুলি হ্রাস করে এবং সরঞ্জামগুলির আয়ু প্রসারিত করে। রুইচেন সিলিং দীর্ঘকাল ধরে গভীরতর বিকাশের দিকে মনোনিবেশ করে আসছে। একটি পেশাদার দল এবং কাটিং-এজ সুবিধাগুলির উপর নির্ভর করা, এটি কেবল গ্রাহকের প্রয়োজন অনুসারে উচ্চ-পারফরম্যান্স সিলিং উপকরণগুলি কাস্টমাইজ করতে পারে না এবং স্বাধীনভাবে উত্পাদনের গুণমান নিয়ন্ত্রণ করতে পারে না, তবে পলিওক্সিমিথিলিনের মতো সমৃদ্ধ এবং বিভিন্ন উপকরণ সংরক্ষণ করে, গ্রাহকদের এক স্টপে বিভিন্ন সিলিং সমস্যাগুলি কাটিয়ে উঠতে এবং শিল্পে নতুন উচ্চতায় পৌঁছাতে একত্রে কাজ করতে সহায়তা করে।
ডাস্টপ্রুফ সিলিং কাজের শর্ত
| প্রোফাইল | মডেল | তাপমাত্রা (℃) | গতি (মি/গুলি) | মিডিয়া |
![]() |
আরসিএফ 01 | -35 ~+100 (ম্যাচিং ও-রিং এনবিআর) | 6 | জলবাহী তেল, ইমালসন, জল ইত্যাদি ইত্যাদি |
| -20 ~+200 (ম্যাচিং ও-রিং এফকেএম) | ||||
![]() |
আরসিএফ 02 | -35 ~+100 (ম্যাচিং ও-রিং এনবিআর) | 6 | জলবাহী তেল, ইমালসন, জল ইত্যাদি ইত্যাদি |
| -20 ~+200 (ম্যাচিং ও-রিং এফকেএম) | ||||
![]() |
আরসিএফ 03 | -35 ~+100 (ম্যাচিং ও-রিং এনবিআর) | 6 | জলবাহী তেল, ইমালসন, জল ইত্যাদি ইত্যাদি |
| -20 ~+200 (ম্যাচিং ও-রিং এফকেএম) | ||||
![]() |
আরসিএফ 04 | -35 ~+100 (ম্যাচিং ও-রিং এনবিআর) | 6 | জলবাহী তেল, ইমালসন, জল ইত্যাদি ইত্যাদি |
| -20 ~+200 (ম্যাচিং ও-রিং এফকেএম) | ||||
![]() |
আরসিএফ 05 | -35 ~+100 (ম্যাচিং ও-রিং এনবিআর) | 6 | জলবাহী তেল, ইমালসন, জল ইত্যাদি ইত্যাদি |
| -20 ~+200 (ম্যাচিং ও-রিং এফকেএম) |
অর্ডার উদাহরণ:
অর্ডার মডেল RCF01-80-PTFE3-R01
আরসিএফ 01-মডেল 80-শ্যাফ্ট ব্যাস পিটিএফই 3-ইউনিভার্সাল পরিবর্তিত পিটিএফই আর 01-ম্যাচিং রাবার উপাদান কোড
নাইট্রাইল রাবার (এনবিআর) -আর 01 ফ্লুরোরবারবার (এফকেএম) -আর 02
অর্ডার মডেল RCF02-80-PTFE3-R01
আরসিএফ 02-মডেল 80-শ্যাফ্ট ব্যাস পিটিএফই 3-জেনারেল পরিবর্তিত পিটিএফআর 01-ম্যাচিং রাবার উপাদান কোড
এনবিআর (এনবিআর) -আর 01 ফ্লুরোরবারবার (এফকেএম) -আর 02
অর্ডার মডেল RCFO3-80-PTFE3 -R01
আরসিএফ 03-মডেল 80-শ্যাফ্ট ব্যাস পিটিএফই 3-জেনারেল পরিবর্তিত পিটিএফই আর 01-ম্যাচিং রাবার উপাদান কোড
নাইট্রাইল রাবার (এনবিআর) -আর 01 ফ্লুরোরবারবার (এফকেএম) -আর 02
অর্ডার মডেল RCF04-80-PTFE3-R01
আরসিএফ 04-মডেল 80-শ্যাফ্ট ব্যাস পিটিএফই 3-জেনারেল পরিবর্তিত পিটিএফই আর 01-ম্যাচিং রাবার উপাদান কোড
নাইট্রাইল রাবার (এনবিআর) -আর 01 ফ্লুরোরবারবার (এফকেএম) -আর 02
অর্ডার মডেল RCF04-80-PTFE3-R01
আরসিএফ 04-মডেল 80-শ্যাফ্ট ব্যাস পিটিএফই 3-জেনারেল পরিবর্তিত পিটিএফই আর 01-ম্যাচিং রাবার উপাদান কোড
নাইট্রাইল রাবার (এনবিআর) -আর 01 ফ্লুরোরবারবার (এফকেএম) -আর 02
অর্ডার মডেল RCF05-80-PTFE3-R01
আরসিএফ 05-মডেল 80-শ্যাফ্ট ব্যাস পিটিএফই 3-জেনারেল পরিবর্তিত পিটিএফই আর 01-ম্যাচিং রাবার উপাদান কোড
নাইট্রাইল রাবার (এনবিআর) -আর 01 ফ্লুরোরবারবার (এফকেএম) -আর 02
স্পেসিফিকেশন:
| আরসিএফ 01 স্পেসিফিকেশন (প্যারামিটার পরিসরের মধ্যে যে কোনও আকারের পণ্য সরবরাহ করা যেতে পারে) | ||||||
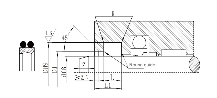
| শ্যাফ্ট ব্যাসের পরিসীমা ডি এফ 8 |
খাঁজ ব্যাস ডি এইচ 9 |
খাঁজ প্রস্থ L+0.2 |
খোলা গর্ত ব্যাস D1 এইচ 11 |
গর্তের প্রস্থ খুলুন a≥ |
বৃত্তাকার কোণ আর |
ও-রিং তারের ব্যাস ডি0 |
| 19 ~ 39 | ডি+7.6 | 4.2 | ডি+1.5 | 3 | 0.8 | 2.65 |
| 40 ~ 69 | ডি+8.8 | 6.3 | ডি+1.5 | 3 | 0.8 | 2.65 |
| 70 ~ 139 | ডি+12.2 | 8.1 | ডি+2.0 | 4 | 0.8 | 3.55 |
| 140 ~ 399 | ডি+16.0 | 9.5 | ডি+2.5 | 5 | 1.5 | 5.30 |
| 400 ~ 649 | ডি+24.0 | 14 | ডি+2.5 | 8 | 1.5 | 7.00 |
| 650 ~ 1500 | ডি+27.3 | 16 | ডি+2.5 | 10 | 2.0 | 8.60 |
| আরসিএফ 02, আরসিএফ 03 স্পেসিফিকেশন প্যারামিটার সারণী (প্যারামিটার পরিসরের মধ্যে যে কোনও আকারের পণ্য সরবরাহ করা যেতে পারে) | ||||||
| শ্যাফ্ট ব্যাসের পরিসীমা ডি এফ 8 |
খাঁজ ব্যাস ডি এইচ 9 |
খাঁজ প্রস্থ L+0.2 |
খোলা গর্ত ব্যাস D1 এইচ 11 |
গর্তের প্রস্থ খুলুন a≥ |
বৃত্তাকার কোণ আর |
ও-রিং তারের ব্যাস ডি0 |
| 4 ~ 11 | ডি+4.8 | 3.7 | ডি+1.5 | 2 | 0.4 | 1.8 |
| 12 ~ 64 | ডি+6.8 | 5 | ডি+1.5 | 2 | 0.7 | 2.65 |
| 65 ~ 250 | ডি+8.8 | 6 | ডি+1.5 | 3 | 1.0 | 3.55 |
| 251 ~ 420 | ডি+12.2 | 8.4 | ডি+2.0 | 4 | 1.5 | 5.30 |
| 421 ~ 650 | ডি+16.0 | 11 | ডি+2.0 | 4 | 1.5 | 7.00 |
| 651 ~ 1500 | ডি+20.0 | 14 | ডি+2.5 | 5 | 2.0 | 8.60 |
| আরসিএফ 04 স্পেসিফিকেশন প্যারামিটার সারণী (প্যারামিটার পরিসরের মধ্যে যে কোনও আকারের পণ্য সরবরাহ করা যেতে পারে) | ||||||
| শ্যাফ্ট ব্যাসের পরিসীমা ডি এফ 8 |
খাঁজ ব্যাস DH9 |
পদক্ষেপ ব্যাস ডি 1 এইচ 11 |
খাঁজ প্রস্থ L+0.2 |
সামগ্রিক প্রস্থ এল 1 |
বৃত্তাকার কোণ Rmax | চাম্পার দৈর্ঘ্য জেডমিন |
| 20 ~ 39.9 | ডি+7.6 | ডি+1 | 4.2 | 8.2 | 0.4 | 3 |
| 40 ~ 69.9 | ডি+8.8 | ডি+1.5 | 6.3 | 10.3 | 1.2 | 4 |
| 70 ~ 139.9 | ডি+12.2 | ডি+2.0 | 8.1 | 12.1 | 2 | 6 |
| 140 ~ 399.9 | ডি+16.0 | ডি+2.0 | 11.5 | 15.5 | 2 | 8 |
| 400 ~ 649.9 | ডি+24.0 | ডি+2.5 | 15.5 | 19.5 | 2 | 10 |
| 650 ~ 1000 | ডি+27.3 | ডি+2.5 | 18.0 | 23.0 | 2 | 12 |
| আরসিএফ 05 স্পেসিফিকেশন প্যারামিটার সারণী (প্যারামিটার পরিসরের মধ্যে যে কোনও আকারের পণ্য সরবরাহ করা যেতে পারে) | ||||||
| শ্যাফ্ট ব্যাসের পরিসীমা ডি এফ 8 | খাঁজ ব্যাস DH9 | পদক্ষেপ ব্যাস ডি 1 এইচ 11 | খাঁজ প্রস্থ L+0.2 |
পাশের প্রস্থ এল 1 |
বৃত্তাকার কোণ Rmax |
চাম্পার দৈর্ঘ্য জেডমিন |
| 100 ~ 229 | ডি+22.2 | ডি+10.7 | 6.3 | 4.2 | 1.2 | 6 |
| 230 ~ 299 | ডি+24.2 | ডি+10.7 | 6.3 | 4.2 | 1.2 | 8 |
| 300 ~ 629 | ডি+33.0 | ডি+15.1 | 8.1 | 6.3 | 1.2 | 10 |
| 630 ~ 1000 | ডি+36.5 | ডি+15.1 | 9.5 | 6.3 | 2 | 12 |
আবেদন:
প্রধানত কৃষি যন্ত্রপাতি, জলবাহী প্রেস, ইনজেকশন ছাঁচনির্মাণ মেশিন, হাইড্রোলিক কন্ট্রোল সিস্টেম, ফর্কলিফ্টস, রোলার প্রেস, ক্রেনস, লোডিং এবং আনলোডিং মেশিনারি ইত্যাদি











ঠিকানা
নং 1 রুইচেন রোড, ডংলিউটিং ইন্ডাস্ট্রিয়াল পার্ক, চেংইয়াং জেলা, কিংডাও সিটি, শানডং প্রদেশ, চীন
টেলিফোন
ই-মেইল