আমাদের আরসিএস সিরিজ, পেশাদার নকশা এবং প্রযুক্তিগত উত্পাদনের মাধ্যমে, পিস্টন রড সিল টার্নিং সিলগুলির বিভিন্ন চাহিদা পূরণ করে, সাধারণ পরিস্থিতি থেকে চরম কাজের পরিস্থিতিতে সুনির্দিষ্ট সমাধান সরবরাহ করে।
কাঠামোগত নকশার ক্ষেত্রে, প্রাথমিক মডেলগুলি স্থিতিশীলতা এবং ব্যবহারের সহজলভ্যতার উপর কেন্দ্রীভূত হয়: আরসিএস 101/103 প্রাক-প্রাক-টাইটেনিং ও-রিংস বা সহায়ক ঠোঁটের মাধ্যমে এম্বেডিং স্থিতিশীলতা বাড়ায়, বিশেষত সংক্ষিপ্ত স্ট্রোকের জন্য; আরসিএস 102/104 আর/117 আর উপাদান এবং খাঁজের সামঞ্জস্যতা (যেমন স্ট্যান্ডার্ড গ্রোভ উচ্চ-চাপের পরিস্থিতিগুলির জন্য আরসিএস 102 আর) অনুকূল করে উচ্চ চাপকে সমর্থন করে। বায়ুসংক্রান্ত সিস্টেমগুলির জন্য, আরসিএস 105/205 তৈলাক্তকরণ তেল ফিল্ম বজায় রাখতে এবং তৈলাক্তকরণ/অ-লুব্রিকেশন পরিবেশের সাথে খাপ খাইয়ে নিতে একটি বিশেষ ঠোঁট নকশা গ্রহণ করে।
রুইচেন সিলগুলি উপাদান এবং কার্যকরী উদ্ভাবনের উপরও মনোনিবেশ করে। আরসিএস 118/119/124-129 এর মতো মডেলগুলি কেমিক্যাল ও খাদ্য ভর্তি ভর্তি এবং খাদ্য ভর্তিগুলির পরিচ্ছন্নতা এবং উচ্চ তাপমাত্রার প্রতিরোধের প্রয়োজনীয়তাগুলি পূরণ করার জন্য কম ঘর্ষণ, অ্যান্টি-ড্রাই পরিধান এবং জারা প্রতিরোধের ভারসাম্য অর্জনের জন্য চাপের ভারসাম্য বজায় রাখতে ম্যান্ডার স্প্রিংস বা ও-রিংগুলির সাথে মিলিত ম্যান্ডার স্প্রিংস বা ও-রিংয়ের সাথে মিলিত পলিটেট্রাফ্লুওরোথিলিন (পিটিএফই) বা পলিউরেথেন ব্যবহার করুন। আরসিএস 129 আরসিএস 101 সহ একটি সিলিং সিস্টেম গঠন করতে পারে, যা হাঁটার যন্ত্রপাতি এবং ভারী জলবাহী সরঞ্জামগুলির জন্য উপযুক্ত; আরসিএস 126-128 অসম্পূর্ণ ভি-পিস ডিজাইনের মাধ্যমে লো-প্রেসার সিলিংকে অনুকূল করে এবং ফার্মাসিউটিক্যাল এবং রাসায়নিক শিল্পের জন্য কাস্টমাইজ করা হয়।
জটিল কাজের অবস্থার জন্য, আরসিএস 120/138 এবং অন্যান্য ডাবল-অ্যাক্টিং সিলগুলিতে ইন্টিগ্রেটেড সাপোর্ট রিং ডিজাইন রয়েছে, যা উচ্চ চাপ এবং বিকৃতি প্রতিরোধী এবং কমপ্যাক্ট গ্রোভগুলির সাথে অভিযোজিত; আরসিএস 131 একটি ও-রিং বিকল্প, যা উভয়ই এক্সট্রুশন এবং রাসায়নিক প্রতিরোধের বিরুদ্ধে প্রতিরোধী এবং এটি খাদ্য এবং ফার্মাসিউটিক্যাল শিল্পের জন্য পছন্দসই পছন্দ হয়ে উঠেছে। এবং আরসিএস 116/216 ডাউনটাইম ব্যয় হ্রাস করতে ফিক্সচার ইনস্টলেশনটির মাধ্যমে পুরানো সিলিন্ডারগুলি দ্রুত মেরামত করতে পারে।
আরসিএস সিরিজ গ্রাহকদের উচ্চ চাপ, উচ্চ গতি, ক্ষয়কারী মিডিয়া এবং বিশেষ শিল্পের চ্যালেঞ্জগুলি মোকাবেলা করতে এবং সরঞ্জামের নির্ভরযোগ্যতা এবং জীবন উন্নত করতে সহায়তা করে।
পণ্য বৈশিষ্ট্য এবং অ্যাপ্লিকেশন:
পিস্টন রড সিল টার্নিং সিলগুলি হাইড্রোলিক সিলিন্ডার এবং সিলিন্ডার, ইঞ্জিনিয়ারিং যানবাহন, কৃষি যন্ত্রপাতি, ক্রেন এবং সামুদ্রিক জলবাহী সরঞ্জাম, মেশিন সরঞ্জামগুলির জন্য উপযুক্ত।
ভারী শিল্প যন্ত্রপাতি, প্রেস, রাসায়নিক শিল্প, দ্রুত তেল সিলিন্ডার এবং পজিশনিং মেশিনারি ফুড ইন্ডাস্ট্রি, ফার্মাসিউটিক্যাল শিল্পে ব্যবহৃত।
সুবিধা
পিস্টন রড সিল টার্নিং সিলগুলি বিস্তৃত তাপমাত্রার পরিসীমা, দুর্দান্ত স্ট্যাটিক এবং গতিশীল সিলিং পারফরম্যান্স এবং গতিশীল অবস্থার অধীনে শক্তিশালী অবশিষ্ট তেল পুনরুদ্ধারের ক্ষমতা সহ খাঁজে স্থিরভাবে এম্বেড করা থাকে। কম ঘর্ষণ, কোনও ক্রাইপিং, উচ্চ পরিধানের প্রতিরোধের, কম স্ট্যাটিক এবং ঘর্ষণ মান, কেবলমাত্র ভাল অ্যান্টি-এক্সট্রুশন পারফরম্যান্স, ভাল তাপ পরিবাহিতা এবং একটি বিস্তৃত তাপমাত্রার পরিসীমা।
পুরানো পিস্টন রডগুলির জন্য উপযুক্ত, ক্রিপিং ইনস্টল করতে ওপেন টাইপ সহজ।

আরসিএস 101
অর্ডার আকার
ΦD ...... বাইরের ব্যাস
ΦD ...... অভ্যন্তরীণ ব্যাস
L ...... খাঁজ প্রস্থ
| পৃষ্ঠ সমাপ্তি | R tmax (μm) | রা (μm) |
| স্লাইডিং পৃষ্ঠের মিলে যাওয়া রাবার/পলিউরেথেন সিলগুলি স্লাইডিং পৃষ্ঠের ম্যাচিং পিটিএফই সিলগুলি | ≤2.5 ≤2 | ≤0.1-0.5 ≤0.05-0.3 |
| খাঁজ নীচে খাঁজ পাশ | ≤6.3 ≤15 | ≤1.6 ≤3 |
| টিপি প্রোফাইল সমর্থন দৈর্ঘ্য অনুপাত | 50%-95% |
|
| সহনশীলতা | |
| ΦD | এফ 8 |
| ΦD | এইচ 10 |
অর্ডার উদাহরণ
মডেল: আরসিএস 101
খাঁজ আকার: 100x115x10
উপাদান: আরসি-পিইউ-এইচ

সিলের ধরণ: আরসিএস 101, আরসিএস 102, আরসিএস 103, আরসিএস 104, আরসিএস 205, আরসিএস 106, আরসিএস 107, আরসিএস 108, আরসিএস 117, আরসিএস 1211
প্রধান অ্যাপ্লিকেশন: জলবাহী এবং বায়ুসংক্রান্ত সিলিন্ডারগুলির জন্য উপযুক্ত
সুবিধাগুলি: খাঁজে স্থিতিশীল এম্বেডিং, প্রশস্ত তাপমাত্রার পরিসীমা, দুর্দান্ত স্ট্যাটিক এবং গতিশীল সিলিং পারফরম্যান্স, গতিশীল অবস্থার অধীনে শক্তিশালী অবশিষ্টাংশ তেল নিষ্কাশন ক্ষমতা।
উপাদান: পলিউরেথেন, রাবার
| সিল খাঁজ উদাহরণ | নিম্নলিখিত স্ট্যান্ডার্ড খাঁজ মাত্রা (আকারের পরিসীমা মধ্যে যে কোনও আকারের ধুলা সীল উত্পাদন করা যেতে পারে) | ||||||||
![]() |
![]() |
ΦD | ΦD | L | সি/এস | সর্বাধিক এক্সট্রুশন ফাঁক | |||
| 100 বার | 250 বার | 400 বার | |||||||
| 5-24.9 | ΦD+8 | 6.3 | 4 | 0.50 | 0.35 | 0.25 | |||
| 25-49.9 | ΦD+10 | 8 | 5 | 0.50 | 0.35 | 0.25 | |||
| 50-149.9 | ΦD+15 | 10 | 7.5 | 0.50 | 0.35 | 0.25 | |||
| 150-229.9 | ΦD+20 | 14 | 10 | 0.50 | 0.35 | 0.25 | |||
| 300-499.9 | ΦD+25 | 17 | 12.5 | 0.50 | 0.35 | 0.25 | |||
| 500-699.9 | ΦD+30 | 25 | 15 | 0.50 | 0.35 | 0.25 | |||
| > 700 | ΦD+40 | 32 | 20 | 0.60 | 0.40 | 0.30 | |||
| > 1000 | ΦD+50 | 40 | 25 | 0.70 | 0.50 | 0.40 | |||

আরসিএস 109
অর্ডার আকার
ΦD ...... বাইরের ব্যাস
ΦD ...... অভ্যন্তরীণ ব্যাস
L ...... খাঁজ প্রস্থ
|
পৃষ্ঠ সমাপ্তি |
R tmax (μm) |
রা (μm) |
|
স্লাইডিং পৃষ্ঠের মিলে যাওয়া রাবার/পলিউরেথেন সিলগুলি স্লাইডিং পৃষ্ঠের ম্যাচিং পিটিএফই সিলগুলি |
≤2.5
≤2 |
≤0.1-0.5
≤0.05-0.3 |
|
খাঁজ নীচে খাঁজ পাশ |
≤6.3 ≤15 |
≤1.6 ≤3 |
|
টিপি প্রোফাইল সমর্থন দৈর্ঘ্য অনুপাত |
50%-95% |
|
|
সহনশীলতা |
|
|
ΦD |
এফ 8 |
|
ΦD |
এইচ 10 |
অর্ডার উদাহরণ
মডেল: আরসিএস 109
খাঁজ আকার: 100x115.1x6.3
উপাদান: ptfe3+nbr

সিলের ধরণ: আরসিএস 109
প্রধান অ্যাপ্লিকেশন: ইঞ্জিনিয়ারিং যানবাহন, কৃষি যন্ত্রপাতি, ক্রেন, সামুদ্রিক জলবাহী সরঞ্জাম, মেশিন সরঞ্জাম।
সুবিধাগুলি: কম ঘর্ষণ, কোনও ক্রাইপ, উচ্চ পরিধানের প্রতিরোধের, কেবলমাত্র ভাল অ্যান্টি-এক্সট্রুশন পারফরম্যান্স, ভাল তাপ পরিবাহিতা, স্থিতিশীল এম্বেডিং খাঁজ, প্রশস্ত তাপমাত্রার পরিসীমা।
উপাদান: টেট্রাফ্লুওরোথিলিন, নাইট্রাইল রাবার বা ফ্লুরিন রাবার
|
সিল খাঁজ উদাহরণ |
নিম্নলিখিত স্ট্যান্ডার্ড খাঁজ মাত্রা (আকারের পরিসীমা মধ্যে যে কোনও আকারের ধুলা সীল উত্পাদন করা যেতে পারে) |
||||||||
|
|
|
ΦD |
ΦD |
L |
সি/এস |
সর্বাধিক এক্সট্রুশন ফাঁক |
|||
|
100 বার |
200 বার |
400 বার |
|||||||
|
5-7.9 |
ΦD+4.9 |
2.2 |
2.45 |
0.30 |
0.20 |
0.15 |
|||
|
8-18.9 |
ΦD+7.3 |
3.2 |
3.64 |
0.40 |
0.25 |
0.15 |
|||
|
19-37.9 |
ΦD+10.7 |
4.2 |
5.35 |
0.40 |
0.25 |
0.20 |
|||
|
38-199.9 |
ΦD+15.1 |
6.3 |
7.55 |
0.50 |
0.30 |
0.20 |
|||
|
200-255.9 |
ΦD+20.5 |
8.1 |
10.25 |
0.60 |
0.35 |
0.25 |
|||
|
256-649.9 |
ΦD+24 |
8.1 |
12 |
0.60 |
0.35 |
0.25 |
|||
|
650-1000 |
ΦD+27.3 |
9.5 |
13.65 |
0.70 |
0.50 |
0.30 |
|||
|
> 1000 |
ΦD+38 |
13.8 |
19 |
1.00 |
0.70 |
0.50 |
|||

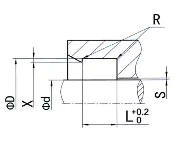
আরসিএস 1110-112
অর্ডার আকার
ΦD ...... বাইরের ব্যাস
ΦD ...... অভ্যন্তরীণ ব্যাস
L ...... খাঁজ প্রস্থ
|
পৃষ্ঠ সমাপ্তি |
R tmax (μm) |
রা (μm) |
|
স্লাইডিং পৃষ্ঠের মিলে যাওয়া রাবার/পলিউরেথেন সিলগুলি স্লাইডিং পৃষ্ঠের ম্যাচিং পিটিএফই সিলগুলি |
≤2.5
≤2 |
≤0.1-0.5
≤0.05-0.3 |
|
খাঁজ নীচে খাঁজ পাশ |
≤6.3 ≤15 |
≤1.6 ≤3 |
|
টিপি প্রোফাইল সমর্থন দৈর্ঘ্য অনুপাত |
50%-95% |
|
|
সহনশীলতা |
|
|
ΦD |
এফ 8 |
|
ΦD |
এইচ 10 |
অর্ডার উদাহরণ
মডেল: আরসিএস 1110-112
খাঁজ আকার: 100x120x32
উপাদান: আরসি-পিইউ-এইচ+পিওএম

সিলের ধরণ: আরসিএস 1110-112, আরসিএস 126-128
প্রধান অ্যাপ্লিকেশন: ভারী শিল্প যন্ত্রপাতি, প্রেসগুলির জন্য
সুবিধাগুলি: পুরানো পিস্টন রডগুলির জন্য উপযুক্ত, ক্রিপার ইনস্টল করার জন্য ওপেন টাইপ সহজ
উপাদান: পলিউরেথেন, পলিক্সাইমিথিলিন, নাইলন
|
সিল খাঁজ উদাহরণ |
নিম্নলিখিত স্ট্যান্ডার্ড খাঁজ মাত্রা (আকারের পরিসীমা মধ্যে যে কোনও আকারের ধুলা সীল উত্পাদন করা যেতে পারে) |
|||||
|
|
|
ΦD |
ΦD |
L |
সি/এস |
|
|
10-39.9 |
ΦD+10 |
16 |
5 |
|||
|
40-74.9 |
ΦD+15 |
25 |
7.5 |
|||
|
75-149.9 |
ΦD+20 |
32 |
10 |
|||
|
150-199.9 |
ΦD+25 |
40 |
12.5 |
|||
|
200-299.9 |
ΦD+30 |
50 |
15 |
|||
|
300-599.9 |
ΦD+40 |
63 |
20 |
|||
|
> 600 |
ΦD+40 |
80 |
20 |
|||
|
> 1000 |
ΦD+50 |
100 |
25 |
|||

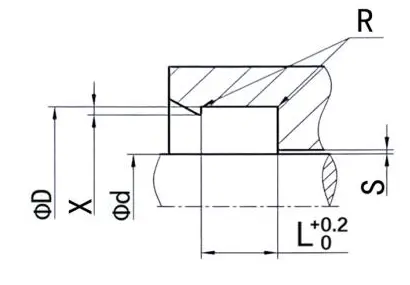
আরসিএস 119
অর্ডার আকার
ΦD ...... বাইরের ব্যাস
ΦD ...... অভ্যন্তরীণ ব্যাস
L ...... খাঁজ প্রস্থ
|
পৃষ্ঠ সমাপ্তি |
R tmax (μm) |
রা (μm) |
|
স্লাইডিং পৃষ্ঠের মিলে যাওয়া রাবার/পলিউরেথেন সিলগুলি স্লাইডিং পৃষ্ঠের ম্যাচিং পিটিএফই সিলগুলি |
≤2.5
≤2 |
≤0.1-0.5
≤0.05-0.3 |
|
খাঁজ নীচে খাঁজ পাশ |
≤6.3 ≤15 |
≤1.6 ≤3 |
|
টিপি প্রোফাইল সমর্থন দৈর্ঘ্য অনুপাত |
50%-95% |
|
|
সহনশীলতা |
|
|
ΦD |
এফ 8 |
|
ΦD |
এইচ 10 |
অর্ডার উদাহরণ
মডেল: আরসিএস 119
খাঁজ আকার: 100x109.4x7.1
উপাদান: ptfe2+nbr

সিলের ধরণ: আরসিএস 119
প্রধান অ্যাপ্লিকেশন: রাসায়নিক শিল্প, দ্রুত সিলিন্ডার এবং পজিশনিং যন্ত্রপাতি। খাদ্য শিল্প, ফার্মাসিউটিক্যাল শিল্প।
সুবিধাগুলি: উচ্চ তাপমাত্রা এবং বিভিন্ন রাসায়নিক মিডিয়া প্রতিরোধী, কম ঘর্ষণ সহগ, কোনও ক্রিপ, ভাল শুকনো ঘর্ষণ বৈশিষ্ট্য, কম স্থির এবং ঘর্ষণ মান।
উপাদান: ptfe+পাতার বসন্ত
|
সিল খাঁজ উদাহরণ |
নিম্নলিখিত স্ট্যান্ডার্ড খাঁজ মাত্রা (আকারের পরিসীমা মধ্যে যে কোনও আকারের ধুলা সীল উত্পাদন করা যেতে পারে) |
|||||||||
|
|
|
ΦD |
ΦD |
L |
R |
X |
সর্বাধিক এক্সট্রুশন ফাঁক |
|||
|
100 বার |
200 বার |
400 বার |
||||||||
|
10-19.9 |
ডি+4.5 |
3.6 |
0.4 |
0.6 |
0.15 |
0.10 |
0.07 |
|||
|
20-39.9 |
ডি+6.2 |
4.8 |
0.6 |
0.7 |
0.20 |
0.15 |
0.08 |
|||
|
40-119.9 |
ডি+9.4 |
7.1 |
0.8 |
0.8 |
0.25 |
0.20 |
0.10 |
|||
|
120-1000 |
ডি+12.2 |
9.5 |
0.8 |
0.9 |
0.30 |
0.25 |
0.12 |
|||
|
> 1000 |
ডি+19.0 |
15 |
0.8 |
0.9 |
0.50 |
0.40 |
0.20 |
|||



















































































ঠিকানা
নং 1 রুইচেন রোড, ডংলিউটিং ইন্ডাস্ট্রিয়াল পার্ক, চেংইয়াং জেলা, কিংডাও সিটি, শানডং প্রদেশ, চীন
টেলিফোন
ই-মেইল