আমরা প্রতিটি দৃশ্যের জন্য একটি "সুরক্ষা-চাপ প্রতিরোধ-দীর্ঘ-মেয়াদী" ট্রিনিটি সলিউশন সরবরাহ করতে প্রতিশ্রুতিবদ্ধ যার জন্য রোটারি সিলগুলি ঘুরিয়ে দেওয়া দরকার। 200+ উপাদান সূত্র এবং কাঠামোগত পেটেন্টগুলির মাধ্যমে আমরা গ্রাহকদের ব্যর্থতার হার হ্রাস করতে এবং টিসিও অপ্টিমাইজেশন অর্জনে সহায়তা করি। পণ্য মডেলগুলির পুরো সিরিজটি খুব বৈচিত্র্যময়। আপনি প্রকৃত চাহিদা অনুযায়ী চয়ন করতে পারেন, বা আমাদের কাছ থেকে রোটারি সিলগুলি ঘুরিয়ে কাস্টমাইজ করতে পারেন।
আরসিআর 101 রোটারি কঙ্কাল একক ঠোঁট সিল, একক অভিনয়, অক্ষীয় ওপেন গ্রোভ ইনস্টলেশন, ব্যাপকভাবে ব্যবহৃত হয়, বেশিরভাগই বিয়ারিংয়ের প্রতিরক্ষামূলক উপাদান হিসাবে ব্যবহৃত হয়।
আরসিআর 102 রোটারি কঙ্কাল ডাবল ঠোঁট সিল, একক অভিনয়, ডাস্টপ্রুফ সহায়ক ঠোঁট, অক্ষীয় ওপেন গ্রোভ ইনস্টলেশন, ব্যাপকভাবে ব্যবহৃত, বেশিরভাগ বিয়ারিংয়ের প্রতিরক্ষামূলক উপাদান হিসাবে ব্যবহৃত হয়।
আরসিআর 103 রোটারি সিল, ডাবল অভিনয়, সমর্থন রিং সহ, উচ্চ চাপ রোটারি সিলিং শর্তের অধীনে আরও ভাল সিলিং প্রভাব।
আরসিআর 104, আরসিআর 105 রোটারি সিল, ডাবল অভিনয়, সরু খাঁজ, স্থিতিশীল খাঁজ এম্বেডিং এবং দাঁত সিলিং পৃষ্ঠ।
আরসিআর 106, আরসিআর 107 ভি-আকৃতির রোটারি সীল, অক্ষীয় আন্দোলন, বৃহত ইলাস্টিক মডুলাস, ঘর্ষণ প্রতিরোধের, ধূলিকণা, দূষণকারী, জল স্প্ল্যাশ, তেল স্প্ল্যাশ ইত্যাদি ইত্যাদি
আরসিআর 108 রোটারি সিল, একক অভিনয়, কোনও বসন্ত নেই, অভ্যন্তরীণ এবং বাইরের ঠোঁটের হস্তক্ষেপ বিভিন্ন কাজের শর্ত অনুযায়ী নির্ধারিত হয়।
আরসিআর 109 ও-রিং, ইলাস্টিক রিং বেশিরভাগ স্ট্যাটিক সিলিং বা গতিশীল সিলিং, নমনীয় তাপমাত্রা মাঝারি নির্বাচনের জন্য ব্যবহৃত হয়। বিস্তারিত খাঁজগুলির জন্য, দয়া করে ও-রিং নমুনাটি দেখুন।
আরসিআর 1110 রোটারি টেট্রাফ্লুওরোথিলিন সিল শ্যাফ্টের জন্য, দ্বিগুণ অভিনয়, সংকীর্ণ খাঁজগুলির জন্য উপযুক্ত।
আরসিআর 111 রোটারি টেট্রাফ্লুওরোথিলিন সিল গর্তের জন্য, দ্বিগুণ অভিনয়, সংকীর্ণ খাঁজগুলির জন্য উপযুক্ত।
আরসিআর 112 রোটারি সিল, ডাবল অভিনয়, সংকীর্ণ খাঁজ, লুব্রিকেটেড কাজের অবস্থার জন্য উপযুক্ত।
আরসিআর 113 রোটারি সিল, ডাবল অভিনয়, সমর্থন রিং সহ, স্থিতিশীল খাঁজ এম্বেডিং, বৃহত্তর এক্সট্রুশন ফাঁক এবং চাপের অনুমতি দেয়, বেশিরভাগ খননকারী সরঞ্জামগুলির ঘোরানো শ্যাফটে ব্যবহৃত হয়।
আরসিআর 115 রোটারি টেট্রাফ্লুওরোথিলিন সিল শ্যাফ্টের জন্য, ডাবল অভিনয়, কম ঘর্ষণ, অ্যান্টি-সাইড উচ্চ চাপ, উচ্চ-তাপমাত্রা বিরোধী জারা।
আরসিআর 116 রোটারি টেট্রাফ্লুওরোথিলিন সিল গর্তের জন্য, ডাবল অভিনয়, কম ঘর্ষণ, অ্যান্টি-সাইড উচ্চ চাপ, উচ্চ-তাপমাত্রা বিরোধী জারা।
আরসিআর 117, আরসিআর 121 রোটারি পিটিএফই সিল, ম্যান্ডার স্প্রিং সহ একক অভিনয়, উচ্চ তাপমাত্রা জারা প্রতিরোধের, তুলনামূলকভাবে উচ্চ গতি এবং উচ্চ চাপের জন্য উপযুক্ত।
আরসিআর 118 শেষ পিটিএফই রোটারি সিল, ম্যান্ডার স্প্রিং সহ একক অভিনয়, উচ্চ তাপমাত্রা জারা প্রতিরোধের সাথে, বেশিরভাগ রাসায়নিক শিল্পে ব্যবহৃত হয়।
আরসিআর 119 রোটারি কঙ্কাল একক ঠোঁট সিল, একক অভিনয়, অক্ষীয় ওপেন গ্রোভ ইনস্টলেশন, ব্যাপকভাবে ব্যবহৃত হয়, বেশিরভাগই বিয়ারিংয়ের প্রতিরক্ষামূলক উপাদান হিসাবে ব্যবহৃত হয়।
আরসিআর 201, আরসিআর 202 রোটারি কঙ্কাল ডাবল লিপ সিল, একক অভিনয়, ডাস্টপ্রুফ সহায়ক ঠোঁট সহ, অক্ষীয় ওপেন গ্রোভ ইনস্টলেশন, ব্যাপকভাবে ব্যবহৃত, বেশিরভাগই বিয়ারিংয়ের প্রতিরক্ষামূলক উপাদান হিসাবে ব্যবহৃত হয়।
আরসিআর 203, আরসিআর 204 রোটারি কঙ্কাল-মুক্ত একক ঠোঁট সিল, একক অভিনয়, অক্ষীয় ওপেন গ্রোভ ফিক্সচার স্থির ইনস্টলেশন, বেশিরভাগ ভারী শিল্প যেমন ধাতববিদ্যুৎ এবং শিপ বিল্ডিংয়ের মতো ব্যবহৃত হয়।
আরসিআর 205 কাট-অফ রোটারি কঙ্কাল-মুক্ত একক ঠোঁট সিল, একক অভিনয়, অক্ষীয় ওপেন গ্রোভ ফিক্সচার স্থির ইনস্টলেশন, বেশিরভাগ ভারী শিল্প যেমন ধাতববিদ্যুৎ এবং শিপ বিল্ডিংয়ের মতো ব্যবহৃত হয়।
আরসিআর 206, আরসিআর 207 কাট-অফ রোটারি ফ্রেমলেস একক ঠোঁট সিল, একক অভিনয়, অক্ষীয় ওপেন গ্রোভ ফিক্সচার ফিক্সড ইনস্টলেশন, বেশিরভাগ ভারী শিল্প যেমন ধাতববিদ্যুৎ এবং শিপ বিল্ডিংয়ের মতো ব্যবহৃত হয়। স্বল্প গতির সিলিংয়ের জন্য উপযুক্ত, সিলিং মিডিয়ামটি লিথিয়াম-ভিত্তিক গ্রীস।
পণ্য বৈশিষ্ট্য এবং অ্যাপ্লিকেশন:
প্রধান অ্যাপ্লিকেশন
রোটারি সিলগুলি ঘুরিয়ে ঘোরানো শ্যাফ্ট এন্ড সিলিং, ঘোরানো শ্যাফ্ট সিলিং, খননকারী, দখলকারী, রোটারি জয়েন্টগুলি, রোটারি ডিস্ট্রিবিউটরগুলির জন্য উপযুক্ত এবং এই ধরণের সিলটি প্রায়শই পেট্রোলিয়াম এবং রাসায়নিক শিল্পগুলিতে ব্যবহৃত হয়
সুবিধা
ঘুরিয়ে রোটারি সিলগুলিতে অভিযোজিত মিডিয়া এবং তাপমাত্রার ব্যাপ্তি, ভাল সিলিং প্রভাব, উচ্চ চাপ প্রতিরোধের, ছোট ক্রস-বিভাগীয় আকার, হাইড্রোলিক অয়েল প্রতিরোধের, কম ঘর্ষণ এবং কোনও স্টিক-স্লিপ ঘটনা নেই।

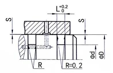
আরসিআর 101
অর্ডার আকার
ΦD ...... বাইরের ব্যাস
ΦD ...... অভ্যন্তরীণ ব্যাস
L ...... খাঁজ প্রস্থ
|
পৃষ্ঠ সমাপ্তি |
R tmax (μm) |
রা (μm) |
|
স্লাইডিং পৃষ্ঠের মিলে যাওয়া রাবার/পলিউরেথেন সিলগুলি স্লাইডিং পৃষ্ঠের ম্যাচিং পিটিএফই সিলগুলি |
≤2.5
≤2 |
≤0.1-0.5
≤0.05-0.3 |
|
খাঁজ নীচে খাঁজ পাশ |
≤6.3 ≤15 |
≤1.6 ≤3 |
|
টিপি প্রোফাইল সমর্থন দৈর্ঘ্য অনুপাত |
50%-95% |
|
|
সহনশীলতা |
|
|
ΦD |
এফ 8 |
|
ΦD |
এইচ 8 |
অর্ডার উদাহরণ
মডেল: আরসিআর 101
খাঁজ আকার: 100x115x8
উপাদান: এনবিআর/পিওএম

সিলের ধরণ: আরসিআর 101, আরসিআর 102
প্রধান অ্যাপ্লিকেশন: শ্যাফ্ট এন্ড সিলিং ঘোরানোর জন্য উপযুক্ত
সুবিধাগুলি: বিস্তৃত মিডিয়া, বিস্তৃত তাপমাত্রার পরিসীমা এবং ভাল সিলিং প্রভাবের জন্য উপযুক্ত
উপাদান: পলিউরেথেন, রাবার/পলিওক্সিমেথিলিন
|
সিল খাঁজ উদাহরণ |
নিম্নলিখিত স্ট্যান্ডার্ড খাঁজ মাত্রা (আকারের পরিসীমা মধ্যে যে কোনও আকারের রোটারি সীল উত্পাদন করা যেতে পারে) |
|||||
|
|
|
ΦD |
ΦD |
L |
সি/এস |
|
|
6-59.9 |
ΦD+12 |
7 |
6 |
|||
|
60-139.9 |
ΦD+15 |
8 |
7.5 |
|||
|
140-299.9 |
ΦD+20 |
10 |
10 |
|||
|
300-499.9 |
ΦD+30 |
12 |
15 |
|||
|
500-800 |
ΦD+40 |
20 |
20 |
|||
|
> 800 |
ΦD+50 |
22 |
25 |
|||

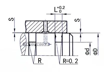
আরসিআর 115
অর্ডার আকার
ΦD ...... বাইরের ব্যাস
ΦD ...... অভ্যন্তরীণ ব্যাস
L ...... খাঁজ প্রস্থ
|
পৃষ্ঠ সমাপ্তি |
R tmax (μm) |
রা (μm) |
|
স্লাইডিং পৃষ্ঠের মিলে যাওয়া রাবার/পলিউরেথেন সিলগুলি স্লাইডিং পৃষ্ঠের ম্যাচিং পিটিএফই সিলগুলি |
≤2.5
≤2 |
≤0.1-0.5
≤0.05-0.3 |
|
খাঁজ নীচে খাঁজ পাশ |
≤6.3 ≤15 |
≤1.6 ≤3 |
|
টিপি প্রোফাইল সমর্থন দৈর্ঘ্য অনুপাত |
50%-95% |
|
|
সহনশীলতা |
|
|
ΦD |
এফ 8 |
|
ΦD |
এইচ 8 |
অর্ডার উদাহরণ
মডেল: আরসিআর 115
খাঁজ আকার: 100x111x4.2
উপাদান: ptfe4+nbr

সিলের ধরণ: আরসিআর 115
প্রধান অ্যাপ্লিকেশন: রোটারি শ্যাফ্ট সিল, খননকারী, দখলকারী, সুইভেল জয়েন্টগুলির জন্য উপযুক্ত।
সুবিধাগুলি: এটি উচ্চ চাপ প্রতিরোধ করতে পারে, ছোট ক্রস-বিভাগীয় আকার রয়েছে, জলবাহী তেলের বিরুদ্ধে প্রতিরোধী, কম ঘর্ষণ রয়েছে এবং কোনও স্টিক-স্লিপ ঘটনা নেই।
উপাদান: টেট্রাফ্লুওরোথিলিন + নাইট্রাইল রাবার বা ফ্লুরোরবারবার
|
সিল খাঁজ উদাহরণ |
নিম্নলিখিত স্ট্যান্ডার্ড খাঁজ মাত্রা (আকারের পরিসীমা মধ্যে যে কোনও আকারের রোটারি সীল উত্পাদন করা যেতে পারে) |
||||||||
|
|
|
ΦD |
ΦD |
L |
R |
X |
সর্বাধিক এক্সট্রুশন ফাঁক এস |
||
|
100 বার |
200 বার |
||||||||
|
6-18.9 |
ΦD+4.9 |
2.2 |
0.4 |
1.78 |
0.15 |
0.10 |
|||
|
19-37.9 |
ΦD+7.5 |
3.2 |
0.6 |
2.62 |
0.20 |
0.15 |
|||
|
38-199.9 |
ΦD+11 |
4.2 |
1.0 |
3.53 |
0.25 |
0.20 |
|||
|
200-255.9 |
ΦD+15.5 |
6.3 |
1.3 |
5.33 |
0.30 |
0.25 |
|||
|
256-649.9 |
ΦD+21 |
8.1 |
1.8 |
7.00 |
0.30 |
0.25 |
|||
|
> 650 |
ΦD+28 |
9.5 |
2.5 |
8.40 |
0.45 |
0.30 |
|||

আরসিআর 116
অর্ডার আকার
ΦD ...... বাইরের ব্যাস
ΦD ...... অভ্যন্তরীণ ব্যাস
L ...... খাঁজ প্রস্থ
|
পৃষ্ঠ সমাপ্তি |
R tmax (μm) |
রা (μm) |
|
স্লাইডিং পৃষ্ঠের মিলে যাওয়া রাবার/পলিউরেথেন সিলগুলি স্লাইডিং পৃষ্ঠের ম্যাচিং পিটিএফই সিলগুলি |
≤2.5
≤2 |
≤0.1-0.5
≤0.05-0.3 |
|
খাঁজ নীচে খাঁজ পাশ |
≤6.3 ≤15 |
≤1.6 ≤3 |
|
টিপি প্রোফাইল সমর্থন দৈর্ঘ্য অনুপাত |
50%-95% |
|
|
সহনশীলতা |
|
|
ΦD |
এফ 8 |
|
ΦD |
এইচ 8 |
অর্ডার উদাহরণ
মডেল: আরসিআর 116
খাঁজ আকার: 100x89x4.2
উপাদান: ptfe4+nbr

সিলের ধরণ: আরসিআর 116
প্রধান অ্যাপ্লিকেশন: রোটারি শ্যাফ্ট এন্ড সিলস, খননকারী, দখলকারী, রোটারি জয়েন্টগুলি, রোটারি ডিস্ট্রিবিউটরগুলির জন্য উপযুক্ত।
সুবিধাগুলি: এটি বিস্তৃত মিডিয়া এবং তাপমাত্রার জন্য উপযুক্ত, ভাল সিলিং প্রভাব রয়েছে, ছোট ক্রস-বিভাগীয় আকার, জলবাহী তেলের প্রতি শক্তিশালী প্রতিরোধ, কম ঘর্ষণ এবং কোনও স্টিক-স্লিপ ঘটনা নেই।
উপাদান: টেট্রাফ্লুওরোথিলিন + নাইট্রাইল রাবার বা ফ্লুরোরবারবার
|
সিল খাঁজ উদাহরণ |
নিম্নলিখিত স্ট্যান্ডার্ড খাঁজ মাত্রা (আকারের পরিসীমা মধ্যে যে কোনও আকারের রোটারি সীল উত্পাদন করা যেতে পারে) |
||||||||
|
|
|
ΦD |
ΦD |
L |
R |
ও-রিং |
সর্বাধিক এক্সট্রুশন ফাঁক এস |
||
|
100 বার |
200 বার |
||||||||
|
8-39.9 |
ΦD-4.9 |
2.2 |
0.4 |
1.78 |
0.15 |
0.10 |
|||
|
40-79.9 |
ΦD-7.5 |
3.2 |
0.6 |
2.62 |
0.20 |
0.15 |
|||
|
80-132.9 |
ΦD-11.0 |
4.2 |
1.0 |
3.53 |
0.25 |
0.20 |
|||
|
133-329.9 |
ΦD-15.5 |
6.3 |
1.3 |
5.33 |
0.30 |
0.25 |
|||
|
330-669.9 |
ΦD-21.0 |
8.1 |
1.8 |
7.00 |
0.30 |
0.25 |
|||
|
> 670 |
ΦD-28.0 |
9.5 |
2.5 |
8.40 |
0.45 |
0.30 |
|||

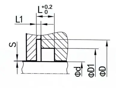
আরসিআর 117
অর্ডার আকার
ΦD ...... বাইরের ব্যাস
ΦD1 ...... বাইরের ব্যাস
ΦD ...... অভ্যন্তরীণ ব্যাস
L ...... খাঁজ প্রস্থ
এল 1 ...... খাঁজ প্রস্থ
|
পৃষ্ঠ সমাপ্তি |
R tmax (μm) |
রা (μm) |
|
স্লাইডিং পৃষ্ঠের মিলে যাওয়া রাবার/পলিউরেথেন সিলগুলি স্লাইডিং পৃষ্ঠের ম্যাচিং পিটিএফই সিলগুলি |
≤2.5
≤2 |
≤0.1-0.5
≤0.05-0.3 |
|
খাঁজ নীচে খাঁজ পাশ |
≤6.3 ≤15 |
≤1.6 ≤3 |
|
টিপি প্রোফাইল সমর্থন দৈর্ঘ্য অনুপাত |
50%-95% |
|
|
সহনশীলতা |
|
|
ΦD |
এফ 8 |
|
ΦD |
এইচ 8 |
অর্ডার উদাহরণ
মডেল: আরসিআর 117
খাঁজ আকার: 100x117.5x110.5x7.1x1.8
উপাদান: ptfe4+v

সিলের ধরণ: আরসিআর 117
প্রধান অ্যাপ্লিকেশন: শ্যাফ্ট এন্ড সিলিংয়ের ঘোরানোর জন্য উপযুক্ত, এই ধরণের সিল প্রায়শই পেট্রোলিয়াম এবং রাসায়নিক শিল্পগুলিতে ব্যবহৃত হয়
সুবিধাগুলি: কম ঘর্ষণ, জারা প্রতিরোধের, উচ্চ তাপমাত্রা প্রতিরোধের, উচ্চ গতির জন্য উপযুক্ত
উপাদান: পিটিএফই, স্টেইনলেস স্টিল স্প্রিং
|
সিল খাঁজ উদাহরণ |
নিম্নলিখিত স্ট্যান্ডার্ড খাঁজ মাত্রা (আকারের পরিসীমা মধ্যে যে কোনও আকারের রোটারি সীল উত্পাদন করা যেতে পারে) |
|||||||||
|
|
|
ΦD |
ΦD |
এফডি 1 |
L |
এল 1 |
সর্বাধিক এক্সট্রুশন ফাঁক এস |
|||
|
20 বার |
100 বার |
200 বার |
||||||||
|
5-19.9 |
ΦD+9 |
ΦD+5 |
3.6 |
0.85 |
0.25 |
0.15 |
0.10 |
|||
|
20-39.9 |
ΦD+12.5 |
ΦD+7 |
4.8 |
1.35 |
0.35 |
0.20 |
0.15 |
|||
|
40-399.9 |
ΦD+17.5 |
ΦD+10.5 |
7.1 |
1.8 |
0.50 |
0.25 |
0.20 |
|||
|
≥400 |
ΦD+22 |
ΦD+14 |
9.5 |
2.8 |
0.60 |
0.30 |
0.25 |
|||



















































ঠিকানা
নং 1 রুইচেন রোড, ডংলিউটিং ইন্ডাস্ট্রিয়াল পার্ক, চেংইয়াং জেলা, কিংডাও সিটি, শানডং প্রদেশ, চীন
টেলিফোন
ই-মেইল