কিংডাও রুইচেন সিলিং টেকনোলজি কোং, লিমিটেড
কিংডাও রুইচেন সিলিং টেকনোলজি কোং, লিমিটেড
পণ্য
X

পিটিএফই স্প্রিং-এনার্জাইজড ফেস সিল

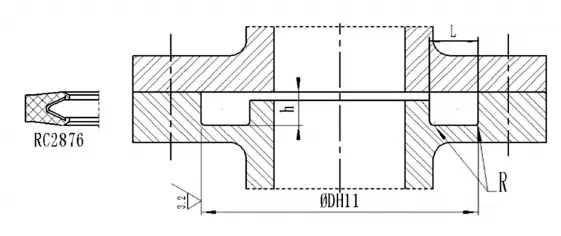
রুইচেনের RC2876 কেনার জন্য স্বাগতম, একটি PTFE বসন্ত-এনার্জাইজড ফেস সিল যা অক্ষীয় (শেষ মুখ) এবং ফ্ল্যাঞ্জ সিলগুলির মতো একমুখী চাপ স্ট্যাটিক সিলিং অ্যাপ্লিকেশনগুলির জন্য উপযুক্ত। এটি এমন অ্যাপ্লিকেশনগুলিতে ব্যবহার করা যেতে পারে যেখানে পৃষ্ঠের রুক্ষতা আদর্শের চেয়ে কম। আমাদের একটি নির্ভরযোগ্য সরবরাহকারী তৈরি করে সিলের জন্য R&D, উদ্ভাবন এবং উত্পাদন ক্ষমতা রয়েছে।

RC2876 সীল একটি স্টেইনলেস স্টীল বসন্ত এবং উচ্চ-কর্মক্ষমতা প্লাস্টিক গঠিত।  স্টেইনলেস স্টীল স্প্রিং V-আকৃতির বা O-আকৃতির স্প্রিং হতে পারে। RC2876-B ব্যবহার করার সময়, উপযুক্ত ইলাস্টোমার উপাদান নির্বাচন করতে হবে।

 

প্রযোজ্য অপারেটিং শর্ত (চরম মান একযোগে ঘটতে হবে না)

চাপ (MPa)

গতি (মি/সেকেন্ড)

তাপমাত্রা (°সে)

মাঝারি

RC2876

RC2876-B

-

RC2876

RC2876-B

সমস্ত তরল, রাসায়নিক এবং গ্যাস

<40

<80

-200~+250

-৩৫~+২৫০

উপাদান নির্বাচন

1. সাথে থাকা ও-রিং উপকরণগুলি থেকে নির্বাচন করা যেতে পারে: R01 নাইট্রিল রাবার (NBR), R02 ফ্লুরোরুবার (FKM), ইত্যাদি।

2. সিলিং রিং উপকরণ: PTFE1, PTFE2, PTFE3, PTFE4, UPE, PK1, PK2, ইত্যাদি।

3. স্টেইনলেস স্টীল স্প্রিংস ও-আকৃতির স্প্রিংস এবং ভি-আকৃতির স্প্রিংস থেকে নির্বাচন করা যেতে পারে।


অর্ডার উদাহরণ

RC2876-40-PTFE4+V: ভিতরের চাপের খাঁজের বাইরের ব্যাস 40, সিলিং রিং উপাদান হল PTFE4, স্প্রিং হল V-আকৃতির স্প্রিং।

RC2876-B-40-PTFE4+R02: ভিতরের চাপের খাঁজ বাইরের ব্যাস 40, সিলিং রিং উপাদান হল PTFE4, ম্যাচিং ও-রিং ফ্লুরোরাবার দিয়ে তৈরি।

দ্রষ্টব্য: একটি বর্ধিত পরিসীমা প্রয়োজন হলে, সিরিজ নম্বর ব্যবহার করুন.

স্পেসিফিকেশন টেবিল (প্যারামিটার রেঞ্জের মধ্যে সমস্ত স্পেসিফিকেশন উপলব্ধ)

সিরিয়াল নম্বর

সিরিয়াল নম্বর

স্ট্যান্ডার্ড পরিসীমা

DH11

বর্ধিত সুযোগ

DH11

খাঁজ গভীরতা

h-0.05

খাঁজ প্রস্থ

L+0.2

বৃত্তাকার কোণগুলি

Rmax

RC2876-0

RC2876-B-0

10~13.9

10~40

1.45

2.4

0.4

RC2876-1

RC2876-B-1

14~24.9

13~200

2.25

3.6

0.4

RC2876-2

RC2876-B-2

২৫~৪৫.৯

18~400

3.1

4.8

0.6

RC2876-3

RC2876-B-3

46~124.9

28~700

4.7

7.1

0.8

RC2876-4

RC2876-B-4

125~999.9

45~1000

6.1

9.5

0.8

RC2876-5

RC2876-B-5

≥1000

≥100

9.5

15.0

0.8

 

হট ট্যাগ: পিটিএফই স্প্রিং-এনার্জাইজড ফেস সিল
অনুসন্ধান পাঠান
যোগাযোগের তথ্য
  • ঠিকানা

    নং 1 রুইচেন রোড, ডংলিউটিং ইন্ডাস্ট্রিয়াল পার্ক, চেংইয়াং জেলা, কিংডাও সিটি, শানডং প্রদেশ, চীন

  • টেলিফোন

    +86-532-82809839

  • ই-মেইল

    info.sealing@ruichenseal.com

প্রতিযোগিতামূলক দাম, প্রযুক্তিগত সহায়তা এবং দ্রুত প্রতিক্রিয়া পান। উপযুক্ত সিলিং সলিউশনগুলির জন্য আপনার স্পেসিফিকেশনগুলি রুইচেনে প্রেরণ করুন। বিনামূল্যে নমুনা উপলব্ধ।
সংবাদ সুপারিশ
X
আমরা আপনাকে একটি ভাল ব্রাউজিং অভিজ্ঞতা দিতে, সাইটের ট্র্যাফিক বিশ্লেষণ করতে এবং সামগ্রী ব্যক্তিগতকৃত করতে কুকিজ ব্যবহার করি। এই সাইটটি ব্যবহার করে, আপনি আমাদের কুকিজ ব্যবহারে সম্মত হন। গোপনীয়তা নীতি
প্রত্যাখ্যান করুন গ্রহণ করুন